蝶閥又叫翻板閥,是一種結構簡單的調節閥,可用于低壓管道介質的開關控制。蝶閥的啟閉件叫做蝶板,呈圓盤形圍繞閥桿旋轉來達到開啟與關閉。
蝶閥根據連接形式的不同能分成法蘭式蝶閥和對夾式蝶閥;按照結構形式可以分為中線蝶閥和偏心蝶閥。蝶閥的結構非常的簡單,有閥體、閥桿、閥座、蝶板和傳動機構組成,常見的傳動方式有手柄、渦輪、氣動、電動。下面我們來針對蝶閥的結構圖來對蝶閥做一個解析。

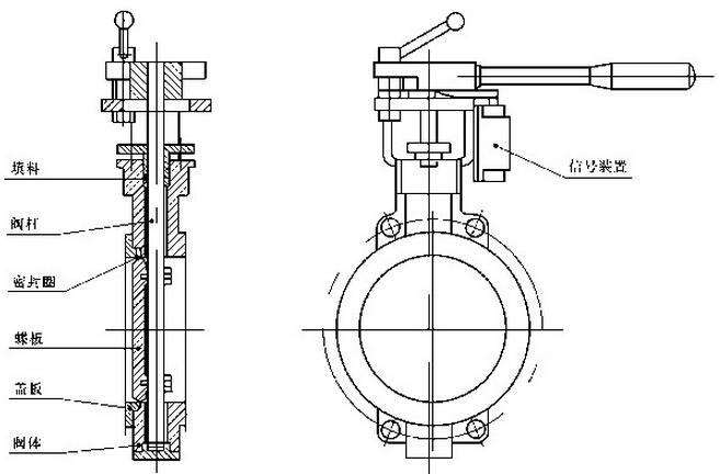
1、閥體是整個蝶閥的支撐,幾種常見的材質按照性能從左往右依次是,灰鑄鐵、球墨鑄鐵、鑄鋼、不銹鋼。其中灰鑄鐵材質的蝶閥性能最一般,不銹鋼材質的蝶閥性能最優。
2、閥桿在閥體內部,連接蝶閥的傳動裝置和蝶板,通過驅動傳動裝置帶動閥桿運動,閥桿又帶著蝶板做旋轉來實現蝶閥的開啟和關閉。閥桿的材質通常使用不銹鋼。
3、閥座和蝶板一樣,都是在管道內部直接接觸介質的部件,受到介質的沖刷和腐蝕也是最大的。蝶閥按照閥座的不同還能分為軟密封蝶閥和金屬硬密封蝶閥,軟密封蝶閥使用最多的閥座材質有三元乙丙、丁腈和聚四氟乙烯,擁有良好的密封性能,可以做到零泄漏。而金屬硬密封蝶閥的閥座通常是金屬材質,可以更好地適用高溫高壓環境中。蝶板的材質最常見的有兩種,球墨鑄鐵和不銹鋼,上面我們已經說過閥體常用的幾種材質,在同一個蝶閥上,蝶板所使用的材質性能要少要高于閥體材質一個等級。
4、蝶閥的傳動裝置上面已有介紹,手柄、渦輪、氣動、電動四種最常見的驅動方式。其中手柄蝶閥和渦輪蝶閥都需要人來進行操作,也叫手動蝶閥。氣動蝶閥和電動蝶閥則屬于自動閥門。